產品中心
專用產品

首頁->產品中心->智能型三相步進驅動器系列

智能型三相步進驅動器系列

DT3M8080

產品詳情

應用:

DT3M8080是三相產品,相比兩相步進驅動器,三相產品具有更平滑的電機輸出表現,噪音和振動也會有更顯著的改善,性價比高,適用于雕刻機,點膠機等行業。


特性:

? 輸入電壓:24-75VDC

? 輸出相電流:7.8A

? 3個數字輸入口:脈沖/方向/使能信號, 5-24VDC, 光電隔離

? 8檔細分, 撥碼開關選擇

? 8檔電流, 撥碼開關選擇

? 旋鈕開關選擇電機參數以配合DSP算法, 使電機性能最優化

? 自動減流功能:50%或90%, 撥碼開關選擇

? 1個數字輸出口:報錯信號輸出

? 自檢功能

? 保護:過壓, 欠壓, 過流, 電機開路檢測






端口與接地:

blob.png


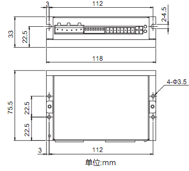
機械尺寸:

blob.png

上一個:
下一個:3MD660
?

2006-2024 深圳市鼎拓達機電有限公司版權所有 粵ICP備05142847號 技術支持:神州通達網絡

深圳總公司:

電話:0755-25796858 

傳真:0755-25796696 

郵箱:sales@dt-me.com 

地址:廣東省深圳市南山區西麗街道麻磡社區麻磡路18號工業區8棟5樓




華中辦事處:童仁青  18975332020 

地址:湖南省長沙縣星沙大道39號財富港灣1棟2單元1613號

華東辦事處:朱興科 18128820282  

地址:江蘇省蘇州市昆山市昆山開發區四季華城32棟2單元1503

 
微信掃一掃   手機掃一掃
在線客服